Electric 3 Ton Stand on Pallet Truck Heavy Duty Hydraulic Pallet Trolley Hand Pallet Truck Manual Transpal for Construction and Restaurant Electric Forklift

Customization: Available
After-sales Service: 1 Year
Warranty: 1 Year

Product Description

📦 Product Overview
Our high-performance electric pallet truck are designed specifically for material handling, combining durability, efficiency, and versatility. Manufactured using advanced technology and high-strength materials, these truck offer smooth operation. Suitable for a wide range of handling scenarios, they deliver outstanding performance in all terrains and working conditions.
Basic Information
Model NO.
JPT-D20D
Type
Pallet Jack
Power
AC Motor
Load Capacity
≤1T (Rated 3000kg)
Fuel
Electric
Lifting Height
205mm
Operator Type
Walkie / Standing
Origin
China
🛠️ Specifications & Configurations
Electric Pallet Truck Applications
Applications
  • 🏗️ Construction: Building foundations, trenching, demolition
  • 🛣️ Roadwork: Land leveling, ditch digging, material handling
  • 🏭 Factory: Material handling and logistics
Key Configurations
  • The all-iron body is collision-resistant and sturdy.
  • Emergency reverse driving function protects the operator from harm.
  • Built-in charger makes charging simple and convenient.
  • Detachable high-strength rear cover for easy maintenance of wheels.
  • Quick battery replacement by removing the front panel.
  • Full-load climbing capacity of 8%.
Product Elevations
Right Elevation

Right Elevation

Left Elevation

Left Elevation

Front Elevation

Front Elevation

Technical Data Table
Parameter Specification (JES-D20D)
Capacity (kg)2000
Power typeElectric
Driving typeStanding
Fork size (mm)55*170*1220
Load center (mm)600
ControllerLVM24S20
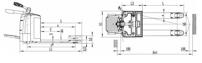
Drawings & Dimensions
Detailed CAD drawings and dimensional diagrams are available upon inquiry. Our engineering team can provide tailored designs to meet specific project requirements.
Dimensions Diagram
🔧 After Sales Service
Standard Warranty: 12 months
Extended Warranty: Optional coverage up to 36 months.
Global Support: 24/7 technical assistance and spare parts supply.
Training: On-site or remote operation/maintenance training.
🏢 Professional Solutions
Production Facility
Why Choose Us
Why Choose Us?
  • OEM/ODM capabilities
  • Competitive pricing & bulk discounts
  • Fast shipping & customs support
  • Turnkey project solutions
Other Products
Other Products
  • Forklifts
  • Electric pallet stacker
  • Electric pallet truck
Frequently Asked Questions
What's the lead time for orders?
Standard models ship in 15–30 days; customized units require 30–45 days.
Do you provide after-sales service?
Yes, we provide comprehensive after-sales support including technical assistance and spare parts.
Can I request a customized model?
Absolutely! We support OEM/ODM and can tailor configurations to your specific project needs.
What documents do you provide for export?
We provide a full export package including Commercial Invoice, Packing List, Bill of Lading, and Certificate of Conformity (COC).
How do I place an order?
Please reach out for a formal quote, and once details are confirmed, the order can be finalized with a Purchase Order (PO).
What is the standard warranty period?
The standard warranty is 12 months, with optional extended coverage available up to 36 months.

Related Products